GATE VALVE, FLANGED, PN10/16
Face/face EN558/3 (BS), ductile iron, SS-316L stem, CW602/CW724 wedge nut, A4 bolts, 250µm blue WRAS EP, EPDM
Contact
AVK Valves India Pvt Ltd
117 & 118, 1st Floor, Road Number 3 Vijayanagar, EPIP Phase I, Whitefield, Bengaluru, Karnataka 560066, India
Flanged gate valve for drinking water and other neutral fluids including treated waste water free of solids and fibrous impurities. Maximum operating temperature 70°C.
AVK gate valves are designed with built-in safety in every detail. The wedge is fully vulcanized with AVK’s own drinking water approved EPDM rubber compound. It features an outstanding durability due to the ability of the rubber to regain its original shape, the double bonding vulcanization process and the sturdy wedge design. The triple safety stem sealing system, the high strength stem and the thorough corrosion protection safeguard the unmatched reliability.| Variant 02/21-005 | |
|---|---|
| Connection: | Flanged |
| Material: | Ductile iron |
| DN: | DN40 - DN400 |
| PN: | PN 16 |
| Closing direction: | Clockwise to Close |
Features
- Wedge nut in dezincification resistant brass, designed as a fixed, integral part of the wedge which prevents vibration and ensures durability
- Wedge and wedge nut fully vulcanized with drinking water approved EPDM rubber
- Wedge shoes in PA and guide rails on the body make the wedge slide easily up and down, keeping operational torque low even with high differential pressure
- A large conical stemhole going all the way through the wedge ensures circulation and prevents stagnant water
- Stem in low carbon stainless steel 1.4404/AISI 316L with wedge stop and rolled threads for high strength
- Full circle thrust collar keeps the stem firmly lined up and ensures low operating torque
- Triple safety stem seal with a wiper ring outermost to protect against contamination from outside, in the middle four O-rings around the radial bearing and innermost a lip seal as main seal to the system pressure
- Bonnet gasket with a circular cross-section and fixed in a recess to avoid blow-out
- Counterbored stainless steel A4 bonnet bolts, sealed with hot-melt and encircled by the bonnet gasket for maximum corrosion protection
- Full bore
- 250µm blue RAL 5017 fusion bonded epoxy coating, WRAS approved
Downloads
Datasheet
Appendix
Reference nos. and dimensions:
Scroll for more info
| Reference no. | DN mm |
Flange drilling |
L mm |
H mm |
H3 mm |
F mm |
W mm |
Theoretical weight/kg |
|---|---|---|---|---|---|---|---|---|
| 02-040-21-014CC90001 | 40 | PN10/16 | 178 | 208 | 290 | 14 | 165 | 9.0 |
| 02-050-21-014CC90001 | 50 | PN10/16 | 178 | 208 | 290 | 14 | 165 | 9.0 |
| 02-065-21-014CC90001 | 65 | PN10/16 | 190 | 244 | 337 | 17 | 185 | 11 |
| 02-080-21-014CC90001 | 80 | PN10/16 | 203 | 282 | 382 | 17 | 200 | 15 |
| 02-100-21-014CC90001 | 100 | PN10/16 | 229 | 306 | 416 | 19 | 220 | 17 |
| 02-125-21-014CC90001 | 125 | PN10/16 | 254 | 346 | 471 | 19 | 250 | 23 |
| 02-150-21-014CC90001 | 150 | PN10/16 | 267 | 401 | 543 | 19 | 285 | 31 |
| 02-200-21-004CC90001 | 200 | PN10 | 292 | 490 | 660 | 24 | 340 | 50 |
| 02-200-21-014CC90001 | 200 | PN16 | 292 | 490 | 660 | 24 | 340 | 50 |
| 02-250-21-004CC90001 | 250 | PN10 | 330 | 625 | 825 | 27 | 400 | 82 |
| 02-250-21-014CC90001 | 250 | PN16 | 330 | 625 | 825 | 27 | 400 | 82 |
| 02-300-21-004CC70002 | 300 | PN10 | 356 | 707 | 934 | 27 | 455 | 116 |
| 02-300-21-014CC70002 | 300 | PN16 | 356 | 707 | 934 | 27 | 455 | 116 |
| 02-350-21-004CC70002 | 350 | PN10 | 381 | 924 | 1177 | 32 | 505 | 181 |
| 02-350-21-014CC70002 | 350 | PN16 | 381 | 924 | 1191 | 32 | 533 | 214 |
| 02-400-21-004CC70002 | 400 | PN10 | 406 | 951 | 1234 | 32 | 565 | 192 |
| 02-400-21-014CC70002 | 400 | PN16 | 406 | 951 | 1241 | 32 | 580 | 221 |
Enquiry
Scroll for more info
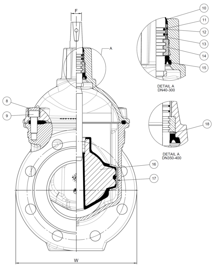
Components
| 1. | Stop ring | Stainless steel |
| 2. | Stem | Stainless steel 1.4404 (AISI 316L) |
| 3. | Bonnet | Ductile iron EN-GJS-500-7 |
| 4. | Bonnet gasket | EPDM rubber |
| 5. | Wedge nut | Brass DZR CW602N |
| 6. | Wedge rubber | EPDM rubber |
| 7. | Body | Ductile iron EN-GJS-500-7 |
| 8. | Seal | Hot melt glue |
| 9. | Bonnet bolt | Stainless steel A4 |
| 10. | Wiper ring | NBR rubber |
| 11. | O-ring | NBR rubber |
| 12. | O-ring | NBR rubber |
| 13. | Radial bearing | Polyamide |
| 14. | Thrust collar | Brass DZR CW602N (CZ132) |
| 15. | Stem seal | EPDM rubber |
| 16. | Wedge core | Ductile iron EN-GJS-500-7 |
| 17. | Wedge shoe | Polyamide |
| 18. | Circlip ring | Stainless steel |
Test/Approvals
- Seat: 1.1×PN (in bar), Body: 1.5×PN (in bar).
- WRAS approved materials
Standards
- EN 1074 part 1 & 2
- Face-to-face dimension according to EN 558, basic series 3
- Flange drilling to EN1092, PN10/16